NI 5541介绍
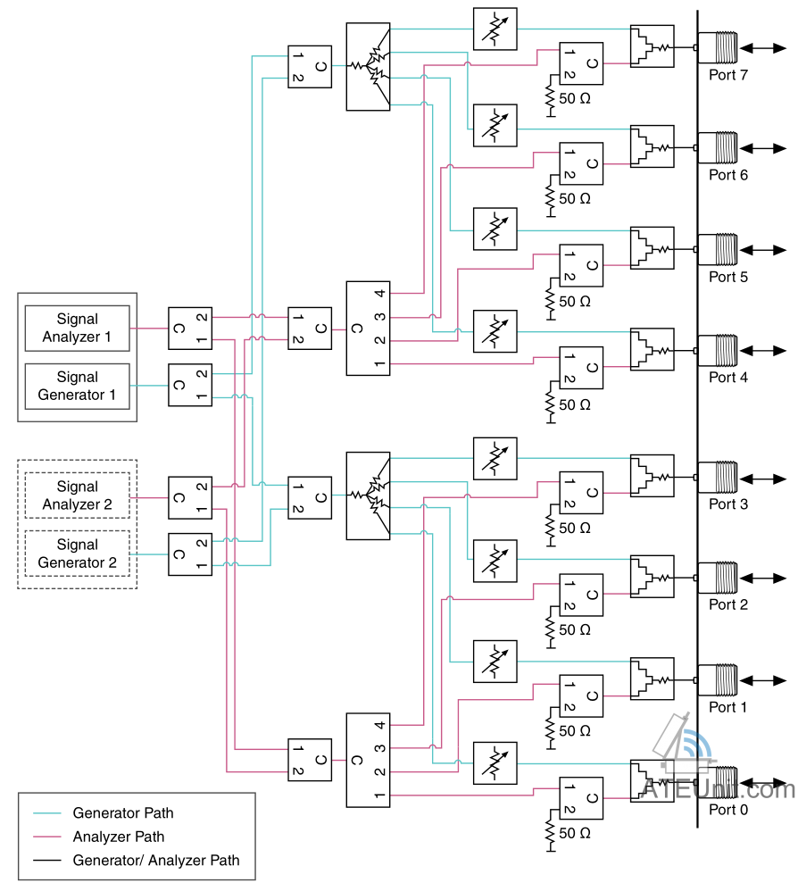
NI 5541是一个8口射频交换矩阵,内部原理如下:
可实现下列功能:
- 一发多收,可单口发射广播至多达4端口接收。每路端口还可以控制增益,范围达-50~13dB。
- 四选一接收。
- 八端口可分为两组进行工作,可分别分配至两路接收、两路发送端口。
NI 5541需要通过VHDCI接口进行控制,可以连接VST卡的VHDCI接口。
NI 5541库API说明
由于NI 5541通过VST卡的VHDCI接口进行控制,需要在加载卡时,加载特殊的FPGA程序,用于支持控制5541。比如,使用PXIe-5644R,可以加载其目录下的NI-554x.lvbitx文件。
使用我们提供的niVST5541DotNetAPI.dll库,可对NI 5541进行控制,库的接口说明如下:
| 命名空间 | 函数 | 返回值 | 参数 | 备注 |
|---|---|---|---|---|
| tn.niModinst | niModInstFindRFSADevices | (UInt32)数组长度 | out DeviceNames: 设备名数组 out DeviceModels: 设备型号数组 out DeviceSerials: 设备序列号数组 | 查找当前连接的VST卡 |
| tn.niSwitch5541 | niSwitch5541OpenSession | (Boolean)是否成功 | in VSTName: 连接5541控制线的VST的资源名称,如RIO0 out Serial: 所连5541的序列号 | 打开NI 5541连接会话 |
| tn.niSwitch5541 | niSwitch5541CloseSession | (Boolean)是否成功 | 关闭NI 5541连接会话 | |
| tn.niSwitch5541 | niSwitch5541GetTemperature | (Double)当前温度 | 返回当前NI 5541内部温度 | |
| tn.niSwitch5541 | niSwitch5541Reset | (void) | 恢复默认值 | |
| tn.niSwitch5541 | niSwitch5541SaRoute | (void) | in InstPort: 0/1,对应仪器端的接口接收 in DutPort: -1/0-7。其中-1表示关闭,0-7表示对应端口 | 接收路径路由设置 当设置一个仪器侧端口时,可能会引起冲突影响另一个的配置。 |
| tn.niSwitch5541 | niSwitch5541SgDefaultAtten | (void) | in DutPort: 对应0-7的端口号 in Atten1: 端口开启时,衰减器1的值(0-127) in Atten2: 端口开启时,衰减器2的值(0-127) 单位0.25dB,默认值27。 | 发送端口设置为开启时的衰减器值 |
| tn.niSwitch5541 | niSwitch5541SgRoute | (void) | in InstSwap: 0时Inst0对应0-3,Inst1对应4-7; 1时Inst0对应4-7,Inst1对应0-3 in DutPortMask: 0-7端口开启的掩码 | 发送路径路由设置 |
注:使用上述函数需要处理异常。如果没有许可文件,在Open Session时用失败。
注:我们没有获取NI 5541内部保存的校准值,使用者根据需要自行对路径中的衰减进行校准。在加载时可通过序列号匹配保存的校准。
注:对于发送路径的两个衰减值原理,请参考下图。



